1. Mô tả bát sen gắn tường TOTO dòng G TBW15CB0A
Bát sen gắn tường TOTO dòng G TBW15CB0A mang đến cho người dùng trải nghiệm thư giãn và tái tạo năng lượng mỗi ngày. Sản phẩm được tích hợp các công nghệ đột phá của TOTO, cho phép bạn tận hưởng nhiều chế độ tắm độc đáo: Comfort Wave và Intense Wave. Thiết kế nhỏ gọn, tinh tế của bát sen không chỉ hài hòa với nhiều phong cách nội thất mà còn tối ưu hóa không gian, biến mỗi khoảnh khắc tắm thành một liệu pháp thư giãn, chăm sóc cơ thể toàn diện.
Bát sen gắn tường TOTO dòng G TBW15CB0A
2. Tính năng nổi bật của bát sen gắn tường TOTO dòng G TBW15CB0A
Thiết kế sang trọng, tối ưu mọi trải nghiệm: Sản phẩm lấy cảm hứng từ người dùng, bát sen được thiết kế tỉ mỉ nhằm mang lại cảm giác thư thái và tiện nghi nhất.
Công nghệ đột phá: Khám phá các chế độ mat-xa độc đáo như Comfort Wave và Intense Wave+, giúp bạn thư giãn và tái tạo năng lượng mỗi ngày.
- Comfort Wave
- Intense Wave+
An toàn là ưu tiên hàng đầu: Tích hợp công nghệ chống rơi, đảm bảo an toàn tuyệt đối cho mọi thành viên trong gia đình.
Vẻ đẹp bền vững với thời gian: Lớp mạ cao cấp, bền bỉ giúp bát sen luôn sáng bóng, chống lại sự ăn mòn theo thời gian.
3. Thông tin chi tiết về bát sen gắn tường TOTO dòng G TBW15CB0A
– Mã sản phẩm: TBW15CB0A
– Chế độ tắm: 2 (Comfort Wave; Intense Wave)
– Kích thước: 400 x 230mm
– Vật liệu: Hợp kim đồng
– Chất liệu bề mặt: Nhựa Resin
– Áp lực nước: 0.05 ~ 0.5 MPa
– Lưu lượng nước: 12L/min
– Trọng lượng: 7kg
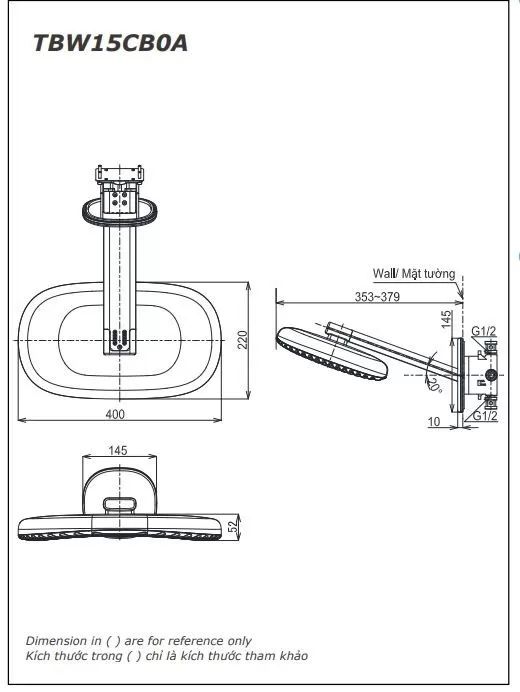
4.Bản vẽ kĩ thuật

Bản vẽ kỹ thuật bát sen gắn tường TOTO dòng G TBW15CB0A
5. Địa chỉ mua bát sen gắn tường TOTO dòng G TBW15CB0A
Sau khi đọc những thông tin ở trên, chắc hẳn bạn cũng đã hiểu được tính năng và những thông tin chi tiết của bát sen gắn tường TOTO dòng G TBW15CB0A.
Để mua sản phẩm bát sen gắn tường TOTO dòng G TBW15CB0A chính hãng và được đảm bảo các quyền lợi bảo hành từ TOTO Việt Nam, bạn có thể tham khảo và mua hàng tại hệ thống đại lý chính thức của TOTO trên toàn quốc: https://vn.toto.com/he-thong-phan-phoi

